Bandeja de escalera LG 110, 6 m VS FS

Código 6216451 | EAN 4012195065333

6000 mm
1,5 mm
no
Acero
Galvanizado en banda
Descripción de producto
Descripción de producto
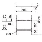
Bandeja de escalera con barra lateral perforada de ala 110 mm con peldaños de perfil en C abiertos hacia arriba, remachados.
Aislamiento magnético sin tapa 10 dB, con tapa 15 dB.

La bandeja de escalera se suministra plegada.

La abrazadera de media caña sobre perfil 2056 la encontrará en el sistema de bandejas de escalera vertical.

  • Aislamiento magnético
  • Comunidad Europea, Declaración de conformidad según las directivas de la CE
  • Declaración de conformidad UKCA
  • Bandejas de escalera, altura de ala 110 mm
  • Declaración de protección medioambiental (EPD)
  • Huella de CO₂ (PCF)
Datos técnicos

Datos técnicos

Acero inoxidable, barnizado no
Altura 110 mm
Ancho 500 mm
Color zinc
Dimensión 110x500x6000
Distancia de sujeción 2,0 m 3,1 kN/m
Distancia de sujeción 2,5 m 2 kN/m
Distancia de sujeción 3,0 m 1,4 kN/m
Distancia de sujeción 3,5 m 0,9 kN/m
Distancia de sujeción 4,0 m 0,65 kN/m
Distancia de sujeción 4,5 m 0,55 kN/m
Distancia de sujeción 5,0 m 0,5 kN/m
Distancia de sujeción 6,0 m 0,15 kN/m
Distancia entre peldaños 300 mm
Espesor 1,5 mm
Fijación del peldaño Con remache ciego
Huella de CO2 (GWP) Cradle-to-Gate 10,7229 kg CO2e / 1 Metro
Longitud 6000 mm
Mantenimiento de función no
Material Acero
Medida B 500 mm
Medida de la ranura del peldaño 16,50
Modelo de peldaños Perfil perforado
Modelo de perfil lateral Perfil plano
Perforación lateral
Sección efectiva 47500 mm²
Sección efectiva 475 cm²
Superficie Galvanizado en banda
Tamaño 110x500x6000
Tipo vano ancho no

Datos técnicos

Diagrama de carga bandeja de escalera tipo LG 110 VS

Diagrama de carga bandeja de escalera tipo LG 110 VS
  • Carga de de bandejas/ bandeja de escalera admisible en kN/m sin carga humana Carga de de bandejas/ bandeja de escalera admisible en kN/m sin carga humana
  • Distancia entre los apoyos en m Distancia entre los apoyos en m
  • Flexión de la barra en mm a kN/m permitidos. Flexión de la barra en mm a kN/m permitidos.
  • Esquema de carga para procesos de comprobación Esquema de carga para procesos de comprobación
  • La curva de carga con bandejas portacables en mm La curva de carga con bandejas portacables en mm
  • Curva de flexión de la barra según la distancia entre apoyos Curva de flexión de la barra según la distancia entre apoyos
Todos los tipos

Todos los tipos

Tipo Longitud Ancho Espesor Mantenimiento de función Material Superficie Código Cantidad Mín. ud. de venta
LG 112 VS 6 FS 6000 mm 200 mm 1,5 mm no Acero Galvanizado en banda 6216442
6 m
LG 113 VS 6 FS 6000 mm 300 mm 1,5 mm no Acero Galvanizado en banda 6216445
6 m
LG 114 VS 6 FS 6000 mm 400 mm 1,5 mm no Acero Galvanizado en banda 6216448
6 m
LG 115 VS 6 FS 6000 mm 500 mm 1,5 mm no Acero Galvanizado en banda 6216451
6 m
LG 116 VS 6 FS 6000 mm 600 mm 1,5 mm no Acero Galvanizado en banda 6216454
6 m
Accesorios

Accesorios del sistema

Productos Tipo Código Cantidad Mín. ud. de venta
Tapa con tornillo giratorio FS Tapa con tornillo giratorio FS DRL 500 FS 6052509
3 m
Unión recta LVG FS Unión recta LVG FS LVG 110 FS 6216545
10 Unidad
Unión curva 110 FS Unión curva 110 FS LWVG 110 FS 6216587
10 Unidad
Conector articulado 110 FS Conector articulado 110 FS LGVG 110 FS 6216650
10 Unidad
Unión multifunción FS Unión multifunción FS LMFV 1150 FS 6225756
1 Unidad
Curva de 90° 110 FS Curva de 90° 110 FS LB 90 1150 R3 FS 6225128
1 Unidad
Pieza en T 110 FS Pieza en T 110 FS LT 1150 R3 FS 6225296
1 Unidad
Derivación simple 110 FS Derivación simple 110 FS LAA 1150 R3 FS 6225916
1 Unidad
Accesorio para codo articulado 110 FS Accesorio para codo articulado 110 FS LGBE 1150 FS 6225496
1 Unidad
Tapón protector Tapón protector SKH 110 OR 6222553
20 Par
Pieza de unión FS Pieza de unión FS LAS 110 FS 6221416
10 Unidad
Tabique separador 85 FS Tabique separador 85 FS TSG 85 FS 6062114
3 m
Descargas

Descargar

Declaración de conformidad UE LG 115 VS 6 FS / 6216451 , 0.13MB , pdf
Descargar
Declaración de protección medioambiental (EPD) LG 115 VS 6 FS / 6216451 , 1.48MB , pdf
Descargar

Descargar
Descargar

LG 115 VS 6 FS / 6216451
Descargar