Protección media y fina FLD para sistemas de hilos de dos conductores 12 V

Código 5098603 | EAN 4012195578376

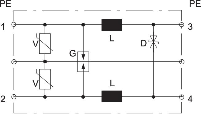
5098603 / FLD 12
2
9 V
13 V
Borne
Descripción de producto
Descripción de producto
Protección contra sobretensiones para utilizar en sistemas de medición, control y regulación

• Protección media y fina
• Modelo estándar para sistemas de doble hilo
• Circuito de protección en dos etapas
• Con bornes de conexión sin tornillos, lo que facilita el montaje
• Módulo de 17,5 mm que ahorra espacio
• Con inductancias de desacoplamiento integradas en el ramal en serie

Aplicación: instalación universal en carril DIN de 35 mm en cualquier cuadro de distribución convencional.
  • Underwriters Laboratories Inc., EEUU
  • 5 años de garantía
  • Comunidad Europea, Declaración de conformidad según las directivas de la CE
  • Transición entre las zonas LPZ 0 a 3
  • Instalaciones de medición, control y regulación
  • Installation, electrotechnical expertise
  • Huella de CO₂ (PCF)
  • Embalaje sin plástico
Datos técnicos

Datos técnicos

Atenuación de entrada (Insertion loss) 3 dB @ 180 kHz dB
Autorizaciones UL
Capacidad (hilo-hilo) <10 nF
Capacidad (hilo-tierra) <1 nF
Clase de protección IP20
Conector / hilos protegidos Borne
Conexión del apantallamiento no
Contacto de señalización remota no
Corriente de carga nominal CA 0,7 A
Corriente de carga nominal CC 1 A
Corriente de impulso de descarga total (10/350) D1: 3 kA
Corriente de impulso de descarga total (8/20) 10 kA
Dimensión 12V AC
Frecuencia límite 0,18 MHz
Huella de CO2 (GWP) Cradle-to-Gate 0,2713 kg CO2e / 1 Unidad
Inductancia en serie por conductor 120 µH ± 20 %
Intensidad nominal de descarga (8/20 µs) 5 kA
Kategorie Tipo 1+2+3 / D1+C2+C1
LPZ 0→3
Máxima tensión de funcionamiento CA 9 V
Máxima tensión de funcionamiento CC 13 V
Modelo a prueba de explosiones no
Nivel de protección conductor-conductor <30 V
Nivel de protección conductor-tierra <600 V
Norma de ensayo IEC 61643-21
Número de polos 2
Rango de temperatura -40 °C
Rango de temperatura máx. 80 °C
Resistencia a la sobrecorriente momentánea conductor - conductor C1: 1 kV / 0,5 kA (8/20µs)
Resistencia a la sobrecorriente momentánea conductor - tierra C2: 10 kV / 5 kA (8/20µs)
Resistencia de aislamiento >1 MΩ
Sección de conexión flexible máx. 2,5 mm²
Sección de conexión flexible mín. 0,14 mm²
Sección de conexión multifilar máx. 2,5 mm²
Sección de conexión multifilar mín. 0,14 mm²
Sección de conexión rígida máx. 2,5 mm²
Sección de conexión rígida mín. 0,14 mm²
SPD según IEC 61643-21 Categoría I+II+III / D1+C2+C1
Toma a tierra a través de: Borne
Unidad de división TE (17,5 mm) 1
Valor cresta de corriente de rayo 1,5 kA
Todos los tipos

Todos los tipos

Tipo Número de polos Máxima tensión de funcionamiento CA Máxima tensión de funcionamiento CC Conector / hilos protegidos Código Cantidad Mín. ud. de venta
FLD 12 2 9 V 13 V Borne 5098603
1 Unidad
Descargas

Descargar

Descargar
Descargar

Declaración de conformidad UE FLD 12 / 5098603 , 0.13MB , pdf
Descargar
REACH Declaración de conformidad FLD 12 / 5098603 , 0.12MB , pdf
RoHS Declaración de conformidad FLD 12 / 5098603 , 0.12MB , pdf

Descargar
Descargar

FLD 12 / 5098603
Descargar