- Descripción de producto
-
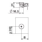
Descripción de productoTornillo giratorio para tapa para el montaje posterior o adicional.
Según la versión de la tapa, la medida B varía de la siguiente manera:
DRL / DRLU = 27 mm
DBKR = 27 mm
WDRL = 38 mm
WKLD = 58 mm
Tornillo giratorio de un lado. Aplicable para anchos de tapa de 100 - 600 mm.
-
- Datos técnicos
-
Datos técnicos
Acero inoxidable, barnizado no Apropiado para bandeja de escalera sí Apropiado para bandeja de rejilla no Apropiado para bandeja portacables sí Color zinc Dimensión Ø20 mm Huella de CO2 (GWP) Cradle-to-Gate 0,1265 kg CO2e / 1 Unidad Material Acero Superficie Galvanizado por inmersión en caliente - Todos los tipos
- Descargas
-
Hoja de datos DRL H S FT / 6065018 , 0.19MB , pdfDeclaración de conformidad UE DRL H S FT / 6065018 , 0.12MB , pdfDeclaración de conformidad UK DRL H S FT / 6065018 , 0.09MB , pdfREACH Declaración de conformidad DRL H S FT / 6065018 , 0.12MB , pdfRoHS Declaración de conformidad DRL H S FT / 6065018 , 0.13MB , pdfGuía de selección Selection aid for cable trays, Magic , 0.23MB , pdfGuía de selección Selection aid cable trays, screwable , 2.17MB , pdfInstrucciones de montaje Latchable Magic cable tray systems , 12.22MB , pdfInstrucciones de montaje Instrucciones de montaje de sistemas de bandejas portacables atornillables , 9.41MB , pdfInstrucciones de montaje Screwable cable trays with fittings for screwing and clamping , 5.98MB , pdfInstrucciones de montaje General information on the mounting , 2.00MB , pdfInstrucciones de montaje Instrucciones de montaje del Helix con cierre , 0.11MB , pdf
España - Español